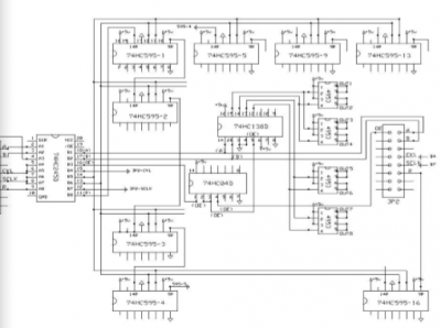
室外P10LED显示屏电路图走线
各信号走向如下: 1、 JP1 排针 16 脚信号 A-》74HC245的第 2 脚(信号放大) -》74HC245的第 18 脚-》74HC138的第 1 脚-》JP2 排针 16 脚 2、 JP1 排针 15 脚信号 B-》74HC245的第 3 脚(信号放大) -》74HC245的第 17 脚-》74HC138的第 2 脚-》JP2 排针 15 脚 3、 JP1 排针 1 脚信号 OE-》74HC245的第 4 脚(信号放大) -》74HC245的第 16 脚-》74HC04D的第 1 脚-》74HC04D的 2 脚-》 ①74HC138的第 5 脚 -》 ② 74HC04D的 3 脚-》74HC04D的 4 脚-》JP2 排针 1 脚 4、 JP1 排针 11 脚信号 R-》74HC245的第 9 脚(信号放大) -》74HC245的第 11 脚-》最左上角 74HC595-1的第 14 脚-》74HC595-1的 9 脚 -》74HC595-2的 14 脚-》74HC595-2的 9 脚-》……-》 最右下角 74HC595-16的 14 脚-》74HC595-16的 9 脚-》JP2 排针 11 脚

本帖隐藏的内容
LED显示屏P10单元板电路图走线方式.pdf (677.66 KB)
|小黑屋|最新贴|维修网
( 粤ICP备09047344号 ) 
GMT+8, 2026-1-25 09:15 , Processed in 0.671017 second(s), 18 queries .
Powered by Discuz! X3.4
Copyright © 2001-2021, Tencent Cloud.