维修网

 找回密码
 注册

QQ登录

只需一步,快速开始

微信扫码 , 快速开始

搜索附件  
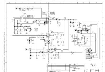
维修网 附件中心 电视区 液晶电视专版 难修的TCL L46F3500A-3D电视电源3.3V跳动: 3.3V.jpg
附件中心&附件聚合2.0
For Discuz! X2.5 © hgcad.com

难修的TCL L46F3500A-3D电视电源3.3V跳动: 3.3V.jpg

 

难修的TCL L46F3500A-3D电视电源3.3V跳动:
难修的TCL  L46F3500A-3D电视电源3.3V跳动,3.3V只几个元件,查完无坏件,就是3.3V在0.8-2V处跳动,不带负载在3-4V处跳动,VIPER17L的七八脚320V正常,2脚电压在8-12V跳动,将3.3V连到开机插线有24V输出但跟着跳动,我另加一个3.3V连开机线,24V输出正常,说明故障就在3.3V电路。换了多个VIPER17L,两个光偶换过,431换过,稳压管代换过,电阻查过都是好的,就是输出跳动,有师傅说断开R211看3.3V正不正常,正常查稳压和负载,我断开R211同样跳,这个电路就几个元件,但就是修不好,请问师傅们遇到过吗,怎样修好的?(改电路或者用模块的就不用说了)说的是原电路,谢谢!



谢谢,可能是我稳压元件431用错了
电路板装; AZ431 LBZ-E1

电路图上是;KIA2431
我有的;TL431 我就用他!
难修的TCL  L46F3500A-3D电视电源3.3V跳动: 3.3V.jpg

QQ|小黑屋|最新贴|维修网 ( 粤ICP备09047344号

GMT+8, 2026-1-24 23:32 , Processed in 1.546103 second(s), 19 queries .

Powered by Discuz! X3.4

Copyright © 2001-2021, Tencent Cloud.

返回顶部